Termoresistencias Pt100

https://mitexacta.net/termoresistencias-montagem-2/Montagem

https://mitexacta.net/termoresistencias-com-protecao-simples-2/Termoresistência com proteção simples

https://mitexacta.net/termoresistencias-com-poco-termometrico-2/Termoresistência com poço termométrico

Montagem

O sensor é interligado ao terminal através de fios e montado em um tubo metálico com uma extremidade fechada com o preenchimento mineral, com boa transferência de calor e protegendo o sensor de choques mecânicos. A extremidade aberta do tubo é selada com uma resina epóxi, ficando assim o sensor protegido contra o ambiente de utilização, podendo ser montados em potes lisos ou rosqueados, dependendo da aplicação.

http://www.mitexacta.com/conteudo/upload/image/termoresistencias_montagem.png

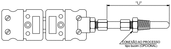
Termoresistências com Proteção Simples

MODELO EX-28

MODELO EX-29

MODELO EX-30

MODELO EX-31

MODELO EX-32

MODELO EX-33

MODELO EX-34

MODELO EX-35

Modelo

Tabela 1

Tabela 2

Tabela 3

Tabela 4

Tabela 5

Tabela 6

Tipo Proteção Cabeçote/fixação Rosca Rabicho Adicionais

EX-XX Processo Fixação Ligação mm

Tabela 1: TIPO Calibração N.º elementos Sufixo Descrição PB Platina 100 ohmn classe B S2 Simples 2 fios PA Platina 100 ohmn classe A S3 Simples 3 fios PI Platina 100 ohmn classe 1/10 DIN S4 Simples 4 fios CU Cobre 10 ohmn à 25 ºC D4 Duplo 4 fios PM Platina 1 K ohmn à 0 ºC D6 Duplo 6 fios

Tabela 2: PROTEÇÃO 82% Material 2 ø da bainha 17% Comp. “U” colspan=2 Montagem 8% Sufixo 11% Descrição 8% Sufixo 22% Descrição 17% 19% Sufixo 15%”Descrição 8% 11% 8% 03 22% 3,0 mm 6 17%”

Especificar em milímetros 19% 15% 8% 304 11% Inox 304 8% 47 22% 4,76 mm 19%  15% Comprimento c/ óxido mineral 8% 11% 8% 06 22% 6,0 mm 19% 15% 8% 11%  8% 63  22% 6,35 mm 19% *M 15% Cabo mineral compactado flexível 8% 316 11% Inox 316 8% 08 22% 8,0 mm 19% 15% 8% 11% 8% 10 22% 10,0 mm 19% 15% *Cabo mineral flexível somente nos ø 3 e 6 mm

Tabela 3: TERMINAL DE LIGAÇÃO 60% Sufixo Descrição Utilização (modelo) Sem terminal EX-28 PL/01 Pote liso em latão EX-31 PR/08 Rosca M8 x 1 em latão EX-31 PR/10 Rosca M10 x em latão EX-31 CC/MF Conector compensado Plástico macho/fêmea EX-35 MC/MF Mini-conector compensado Plástico macho/fêmea EX-35 BL/02 Bloco ø 50 (até 4 fios) EX-34 BL/03 Bloco ø 50 (6 fios) EX-34 BL/04 Bloco ø 42 (até 6 fios) EX-34 BL/05 Bloco ø 35 (até 4 fios) EX-34 Tabela 3A: CABEÇOTES PARA MODELO EX-33 Tipo de cabeçote Rosca ao conduíte Sufixo Descrição Sufixo Descrição PR Cabeçote miniatura a prova de tempo GR A prova de tempo 45 Prensa cabo TP Com tampa parafusada 21 1/2″ NPT ER A prova de explosão 27 3/4″ NPT

Tabela 4: ROSCA DE FIXAÇÃO AO PROCESSO Somente para Mod. EX-09 66% Sufixo Descrição sem conexão 18 1/8 N NPT F Fixa L Latão 14 1/4 21 1/2 B BSP M Móvel (BUCIM) Inox 27 3/4 Comp. Rabicho, especificar em milímetros

Tabela 5: RABICHO DE LIGAÇÃO Para modelos EX-28, 28, 31. Compr. Rabicho Formação Isolação Malha externa Sufixo 77 Descrição 42 94 Descrição 59 Sufixo 183 Descrição 3 Especificar em milímetros R Rígido PF PVC/PVC Fibra/Fibra TAGTCE Trança aço galvonizado Trança em cobre estanhado TS Teflon/Teflon Silicone/ Silicone TAI Trança em aço inox Sem trança  ADICIONAIS Sufixo Descrição CCA certificado de calibração (indicar os pontos de temperatura) transmissor eletrônico de temperatura acoplado ao cabeçote EXEMPLO EX-33-PB-S3-316-06-350-C-TP-45-21-N-F-I Termoresistência PT-100, 3 fios, inox 316 ø 6x350mm, cabeçote tampa parafusada, rosca em inox de 1/2″ NPT ao Processo. Casos especiais: Adicionar o sufixo C ao final do código para termopar com certificado de calibração.

Termoresistências – com poço Termométrico

MODELO EX-46

MODELO EX-47

MODELO EX-48

MODELO EX-49

MODELO EX-50

Modelo

Tabela 1 17%”

Tabela 2 19%”

Tabela 3 14%

Tabela 4 31%

Tabela 5

Tipo Material bainha Term. de ligação Extensão N Poço EX-XX roscado flangeado

Tabela 1: TIPO 68 Calibração N.º elementos ø externa da bainha Sufixo Descrição PB Platina 100 ohmn classe B S2 Simples à dois fios PA Platina 100 ohmn classe A S3 Simples à 3 fios 8 8mm PI Platina 100 ohmn 1/10 DIN S4 Simples à 4 fios CU Cobre 100 ohmn à 25ºC D4 Duplo à 4 fios 6 6mm PM Platina 1K ohmn à 0ºC D6 Duplo à 6 fios

Tabela 2: TERMINAL DE LIGAÇÃO Sufixo Descrição 304 Aço inox 304 316 Aço inox 316

Tabela3: TERMINAL DE LIGAÇÃO

Material Conexão ao conduíte Transmissor de temperatura Sufixo Descrição A prova de tempo 1/2 NPT

TT* Acoplado ao cabeçote 45 TP 159

Com tampa parafusada 45 27 117 3/4″ NPT 41 216

A prova de explosão 45 117 Prensa cabo 41 216 Com bloco cerâmico de ligação *Indicar faixa de operação (Range) do transmissor

Tabela 4: EXTENSÃO “N”, “U” e “T” 60%

Material ø do niple União Sufixo Descrição Aço Galvanizado 21 1/2″ NOM. Liso (s/ união) Aço inox 304 27 3/4″ NOM. U Com união Nota: Padrão Dim. “N” = 100mm, outra medida, especificar. Compr. “U” e “T”, especificar em mm

Tabela 5: POÇO Construção Material 4 P/ Poço Rosqueado 2 P/ Poço Flangeado Suf. Descrição Rosca Inox 304 21 Rosca 1/2″ 330 ø nominal 1″ NPT 420 ø nominal 1 1/4″ 27 Rosca 3/4 Flangeado P Paralelo 600 nominal 2 Inox 316 33 Rosca 1 150 lb/pol2 300 300 lb/pol2 S Soldado Especificar B BSP 600 lb/pol2 cônico 111 Especificar 500 lb/pol2 12 Acabamento Flange, especificar. Nota

Para maiores detalhes de cabeçotes e transmissores de temperatura, vide acessórios. Casos Especiais A dicionar o sufixo C ao final do código para termoresistências com certificado de calibração especificado, indicar alteração e anexar desenhos.